Sign in Join
  • Electrical
  • Electronics
  • Digital
  • Marine
  • Test Equip.
  • More..
    • Inertial Nav
    • Do you Know
  • Ask Friends
    • Electrical Engineers
    • Electronics Engineers
    • Computer Engineers
Sign in
Welcome!Log into your account
Forgot your password?
Create an account
Sign up
Welcome!Register for an account
A password will be e-mailed to you.
Password recovery
Recover your password
Search
Logo
Logo
Logo
Facebook
Instagram
Linkedin
Pinterest
Twitter
  • Electrical
  • Electronics
  • Digital
  • Marine
  • Test Equip.
  • More..
    • Inertial Nav
    • Do you Know
  • Ask Friends
    • Electrical Engineers
    • Electronics Engineers
    • Computer Engineers
Logo
Facebook
Instagram
Linkedin
Twitter
5.7 C
New York
  • Electrical
  • Electronics
  • Digital
  • Marine
  • Test Equip.
  • More..
    • Inertial Nav
    • Do you Know
  • Ask Friends
    • Electrical Engineers
    • Electronics Engineers
    • Computer Engineers
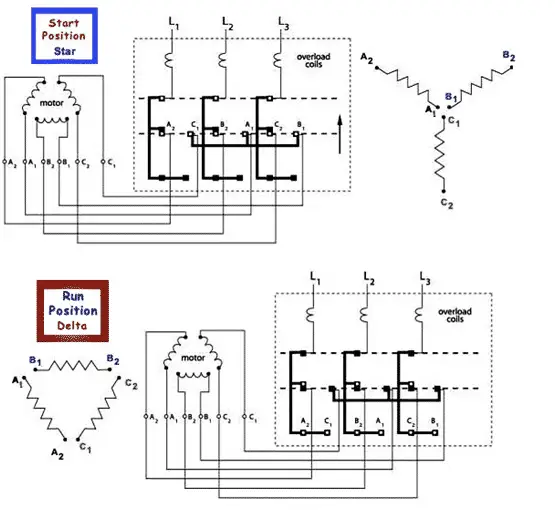
Home Star Delta starter Star Delta starter

Star Delta starter

Sagnac Effect 2
Strap down system 1

RSS RSS FEED

Recent Posts

  • Microsoft Outlook – Recall, Set-up GoDaddy & Juno Email in Outlook
  • Photoshop – Serial Number, Plug-ins, How to Edit Photos, Advantages
  • Free Calorie Calculator Lose, Gain or Maintain Weight
  • 555 Timer Calculator (Astable & Monostable) Frequency, Duty Cycle & Waveform
  • Age Calculator Online – Calculate Exact Age in Years, Months, Days Instantly

Recent Comments

  • visit this site on Faraday Laws of Electrolysis – First Law, Second Law and its Applications
  • redacción TrustGuru Datos on UHF (Ultra High Frequency) – Antennas for UHF Transmission, Applications
  • Jeremykep on Digital to Analog Converter (DAC) – Types, How it Works, Applications
  • rikvip.computer on Zip Drive -What is Zip Disk, How to use Zip Drives & it’s Types, Advantages
  • вспомогательный кран машиниста 254 положения on Zip Drive -What is Zip Disk, How to use Zip Drives & it’s Types, Advantages

Tags

advantages analysis anode Applications Architecture availability cathode Characteristics Classification Communication components current data Design device Digital disadvantages electrons equip equipment field functions Gyro gyroscope Hardware How it Works inertial system Interface magnetic magnetic field navigation Obsolescence management receiver reliability safety Software system Technology test transducer transmitter types voltage Wireless Working Principle
Logo

An Electrical & Electronics Engineering Group that provides information and guides to Electrical enthusiasts around the world on various subjects like Power Generation, Distribution, Electronics, Marine Electricity, Navigation systems, Test Equipment, Reliability and Instrumentation Control.

Facebook
Instagram
Linkedin
Pinterest
Twitter

recommended articles

Wiring Color Codes – USA, UK, Europe & Canada Codes, When to Apply

Infrared Sensor – How it Works, Types, Applications, Advantage & Disadvantage

American Megatrends BIOS (AMIBIOS) – How to Update | How to Unlock It

trending right now

Stylus Pen – Active and Passive Stylus Pens, Top Stylus Pens

4Chan – What is 4Chan, Who uses 4chan, Rules, Image Macros & Memes

Optoelectronics – Optoelectronic Devices, Applications & Future Prospects

What is HDMI Splitter / Switch – Types, How it Works, Why to Use

Different Type of Capacitors in Market with Description – Part I

copyright 2024@electricalfundablog

About Us

Privacy Policy

Write Article